K64VP Kit de réparation de soupape de surpression à vide (PRV)
Les soupapes de surpression à vide sont conçues pour soulager la surpression et l'excès de vide dans les réservoirs. L'ouverture du réservoir sous vide peut empêcher un fermenteur de brasserie ou un réservoir lumineux de s'effondrer, tandis que l'ouverture du réservoir sous pression peut empêcher une rupture qui pourrait nuire au personnel de production.
Dès que la pression dans le réservoir dépasse la pression maximale préréglée, la vanne s'ouvre et libère la surpression. Une fois que la pression revient dans la plage prédéfinie, la vanne se referme. De plus, dès que le vide dans le réservoir dépasse le vide maximum préréglé, la vanne s'ouvre. Encore une fois, une fois que le vide revient dans la plage prédéfinie, la vanne se referme.
Contenu du kit de réparation :
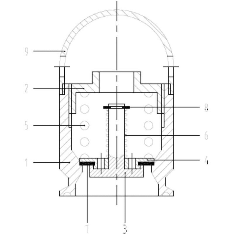
- 1 ressort de pression #5 304L
- 1 ressort à vide #6 304L
- 1 joint n° 7 en silicone.
- 1 anneau élastique n° 8 304L.
Caractéristiques:
- La pression d'ouverture de la vanne est réglable, la pression du vide est réglée.